Gehäuse PEN FV3
Aus Olypedia
Zur Navigation springen
Zur Suche springen
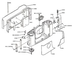
Explosions-Zeichnung PEN FV Gehäuse 3
Kategorien
:
PEN F System
Reparatur PEN FV
Navigationsmenü
Meine Werkzeuge
Anmelden
Namensräume
Seite
Diskussion
Varianten
Ansichten
Lesen
Quelltext anzeigen
Versionsgeschichte
Mehr
Suche
Navigation
Hauptseite
Letzte Änderungen
Zufällige Seite
Hilfe zu MediaWiki
Werkzeuge
Links auf diese Seite
Änderungen an verlinkten Seiten
Spezialseiten
Druckversion
Permanenter Link
Seiteninformationen